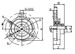
| Bearing Unit NO. |
Shaft Dia d |
Dimensions(mm) |
Bolt Used |
Bearing No. |
Housing No. |
Housing
Wt (kg) |
| (in) |
(mm) |
a |
e |
i |
g |
l |
s |
b |
z |
Bi |
n |
(mm) |
(in) |
SBFCT201-8
SBFCT202-9
SBFCT202-10
SBFCT203-11
SBFCT201
SBFCT202
SBFCT203 |
1/2
9/16
5/8
11/16
|
12
15
17 |
81 |
63.5 |
9.8 |
10 |
17.5 |
7.1 |
49 |
25.8 |
22 |
6 |
M6 |
1/4 |
SB201-8
SB202-9
SB202-10
SB203-11
SB201
SB202
SB203 |
FCT203 |
0.1 |
SBFCT204-12
SBFCT204 |
3/4
|
20 |
90.4 |
71.4 |
11 |
10 |
20 |
8.7 |
62 |
29 |
25 |
7 |
M8 |
5/16 |
SB204-12
SB204 |
FCT204 |
0.2 |
SBFCT205-14
SBFCT205-15
SBFCT205-16
SBFCT205 |
7/8
15/16
1
|
25 |
95.2 |
76.2 |
10.3 |
12 |
20 |
8.7 |
72 |
29.8 |
27 |
7.5 |
M8 |
5/16 |
SB205-14
SB205-15
SB205-16
SB205 |
FCT205 |
0.2 |
SBFCT206-18
SBFCT206-19
SBFCT206-20
SBFCT206 |
1-1/8
1-3/16
1-1/4
|
30 |
112.5 |
90.5 |
12 |
12 |
22 |
10.3 |
84 |
34 |
30 |
8 |
M8 |
5/16 |
SB206-18
SB206-19
SB206-20
SB206 |
FCT206 |
0.3 |
SBFCT207-20
SBFCT207-22
SBFCT207-23
SBFCT207 |
1-1/4
1-3/8
1-7/16
|
35 |
122 |
100 |
13.5 |
13.5 |
24 |
10.3 |
90 |
37 |
32 |
8.5 |
M8 |
5/16 |
SB207-20
SB207-22
SB207-23
SB207 |
FCT207 |
0.42 |