| Bearing Unit NO.
 | Shaft Dia d
 | Dimensions(mm) | Bolt Used | Bearing No. | Housing No.
 | Housing Wt (kg)
 | 
                          
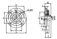
                            | (in) | (mm) | a | p | e | i | s | j | k | g | f | z | Bi | n | mm | in | 
                          
                            | UCFCS206-17 UCFCS206-18
 UCFCS206-19
 UCFCS206-20
 UCFCS206
 | 1-1/16 1-1/8
 1-3/16
 1-1/4
 
 | 30 | 111 | 92 | 65 | 10 | 9.5 | 6.4 | 9.5 | 24 | 76.2 | 31.7 | 38.1 | 15.9 | M8 | 5/16 | UC206-17 UC206-18
 UC206-19
 UC206-20
 UC206
 | FCS206 | 1.04 | 
                          
                            | UCFCS207-20 UCFCS207-21
 UCFCS207-22
 UCFCS207-23
 UCFCS207
 | 1-1/4 1-5/16
 1-3/8
 1-7/16
 
 | 35 | 127 | 105 | 74.3 | 8 | 12 | 9.5 | 9.5 | 22 | 85.7 | 32.9 | 42.9 | 17.5 | M10 | 3/8 | UC207-20 UC207-21
 UC207-22
 UC207-23
 UC207
 | FCS207 | 1.43 | 
                          
                            | UCFCS208-24 UCFCS208-25
 UCFCS208
 | 1-1/2 1-9/16
 
 | 40 | 134 | 111 | 78.5 | 9 | 12 | 11 | 11 | 26 | 92 | 38.6 | 49.2 | 19 | M10 | 3/8 | UC208-24 UC208-25
 UC208
 | FCS208 | 1.68 | 
                          
                            | UCFCS209-26 UCFCS209-27
 UCFCS209-28
 UCFCS209
 | 1-5/8 1-11/16
 1-3/4
 
 | 45 | 155 | 130 | 92 | 5.5 | 14 | 12 | 12 | 22 | 108 | 35.2 | 49.2 | 19 | M12 | 7/16 | UC209-26 UC209-27
 UC209-28
 UC209
 | FCS209 | 1.73 | 
                          
                            | UCFCS210-29 UCFCS210-30
 UCFCS210-31
 UCFCS210-32
 UCFCS210
 | 1-13/16 1-7/8
 1-15/16
 2
 
 | 50 | 155 | 130 | 92 | 8 | 14 | 12 | 11 | 25 | 108 | 40 | 51.6 | 19 | M12 | 7/16 | UC210-29 UC210-30
 UC210-31
 UC210-32
 UC210
 | FCS210 | 2.36 | 
                          
                            | UCFCS211-32 UCFCS211-33
 UCFCS211-34
 UCFCS211-35
 UCFCS211
 | 2 2-1/16
 2-1/8
 2-3/16
 
 | 55 | 162 | 137 | 96.9 | 7 | 14 | 16 | 11 | 25 | 114 | 39.8 | 55.6 | 22.2 | M12 | 7/16 | UC211-32 UC211-33
 UC211-34
 UC211-35
 UC211
 | FCS211 | 2.72 | 
                          
                            | UCFCS212-36 UCFCS212-37
 UCFCS212-38
 UCFCS212-39
 UCFCS212
 | 2-1/4 2-5/16
 2-3/8
 2-7/16
 
 | 60 | 180 | 152 | 108 | 4 | 16 | 22 | 13 | 26 | 127 | 43 | 65.1 | 25.4 | M14 | 1/2 | UC212-36 UC212-37
 UC212-38
 UC212-39
 UC212
 | FCS212 | 3.74 | 
                          
                            | UCFCS213-40 UCFCS213-41
 UCFCS213
 | 2-1/2 2-9/16
 
 | 65 | 193 | 165 | 117 | 11 | 16 | 20 | 15 | 33 | 140 | 49.9 | 65.1 | 25.4 | M14 | 1/2 | UC213-40 UC213-41
 UC213
 | FCS213 | 4.34 |